-
СтеклохолстКлей обойный, герметикиИнструментДымоходная система TONA tec isoЦена договорная
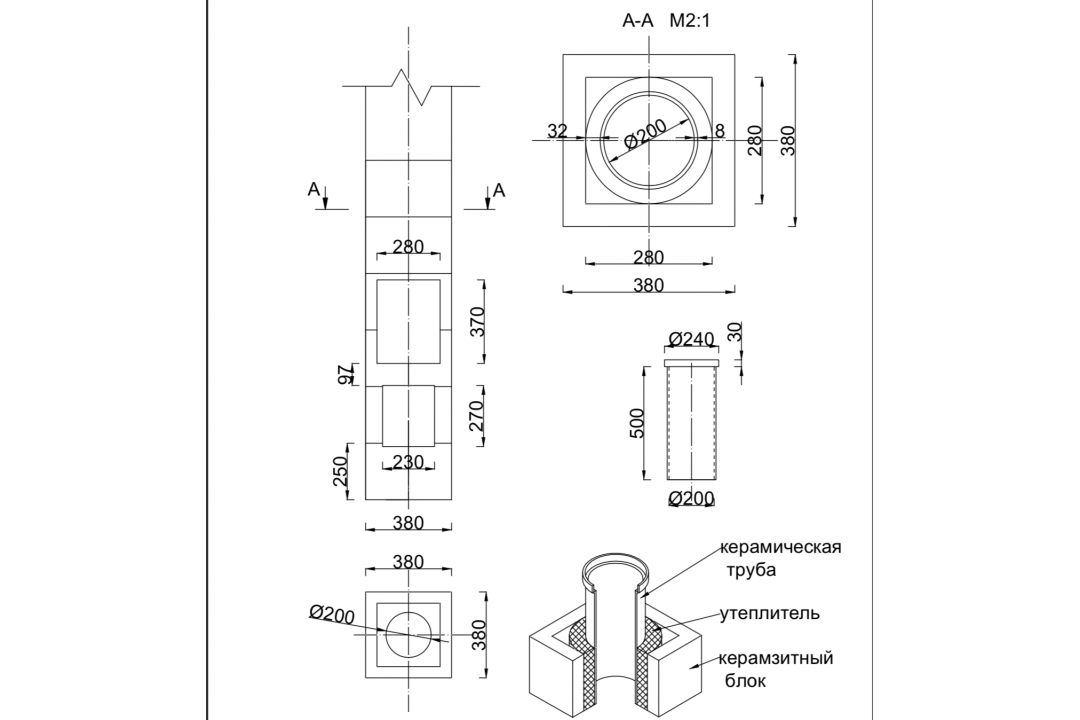
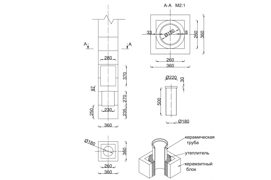
Дымоходная система TONA tec iso
Трехкомпонентная система нового поколения

Основные элементы:
- дымоходные трубы с муфтовым соединением, изготовленные из легкой и высокоплотной керамики - HIGHTECH KERAMIK;
- высококачественный теплоизоляционный материал;
- наружная оболочка из легкого бетона;
- дополнительные принадлежности.
Основные характеристики:
- предназначается для отвода:
• сухих и влажных дымовых газов;
• дымовых газов от одного или от нескольких независимых теплогенераторов (если они работают на одинаковом топливе);
- выдерживает температурные нагрузки более 1000º
- классифицирована для отвода сухих газов T600 N1 D3 G30;
- классифицирована для отвода влажных газов T400 N1 W2 O30;
- Европейский сертификат СЕ 0769-CPD-7049;
- Европейский сертификат СЕ 0769-CPD-7050;
- подходит для любых отопительных систем работающих:
• на газообразном, жидком и твердом топливе;
• при высоких и низких температурах дымовых газов;
• при пониженных давлениях отходящих газов;
- эксплуатация – в режиме зависимом от воздуха в помещении;
- имеет широкий ассортимент дополнительных комплектующих;
- модульный принцип монтажа без использования строительной техники;
- невосприимчива к повышенной влажности, агрессивным кислотам и высоким температурам;
- исключительная пожаробезопасность.
В программу поставки включены трубы с сечением от 80 до 300 мм и высотой 500 и 1000 мм.




Вес и измерения дымохода:
Ø Трубы
(см)Измерения
блока (см)Вес 1 м
дымохода
(кг/п.м.)12 31x31 70 14 31x31 72 16 34x34 75 18 36x36 85 20 38x38 95 25 47.5x47.5 131 Ø Трубы
(см)Измерения
блока (см)Вес 1 м
дымохода
(кг/п.м.)14 + V 31x45 99 16 + V 34x48 101 18 + V 36x50 114 20 + V 38x54 135 25 + V 47.5x62 180 Ø Трубы
(см)Измерения
блока (см)Вес 1 м
дымохода
(кг/п.м.)2 x 14 36x66 145 2 x 16 36x66 156 2 x 18 38x68 169
Категории












